新闻中心

搜索:

消防排烟风机:图纸、特性文件表填写规范

文章来源:鑫佳通 作者:消防排烟风机小编 发布时间:2017-05-02 17:57:37 浏览次数:16174

总体要求:

1. 所有图纸幅面为A4。

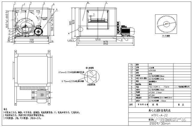
2. 图纸设置有三视图(主视图+俯视图+侧视图)、局部放大图(适用于不便于标注尺寸、不便于表示清楚结构的地方)、标题栏、明细栏及其他需要标注的内容。

3. 图纸标题栏至少需要标明内容:

① 样品名称(必须与认证申请名称一致);

② 样品型号规格(必须与认证申请型号规格一致)。

③ 执行标准号(如:GA 211-2009)。

4. 图纸中需标注认证企业名称,需加盖公章。

消防排烟风机产品图纸的其他要求:

消防排烟风机产品图纸除基本要求外,尚有以下要求:

1.局部放大图应体现壳体结构、叶轮与壳体之间间隙等。

2. 至少需要标注尺寸:(注:相同尺寸仅标一处即可;核实数据的准确性。)

① 风机外形尺寸、进出风口尺寸(或风筒直径)、法兰宽度;

② 叶轮直径;

③ 叶轮与壳体之间间隙(关键);

④ 风机底座及安装尺寸。

3. 至少需要标注结构:

① 壳体结构(拼接缝、加强筋等工艺结构);

② 叶轮结构;

③ 叶轮数量及叶片数量。

4. 图纸备注至少需要注明内容:

注明风机叶轮内流道方式、叶轮加工方法、叶型、电机冷却方式、电机绝缘等级、风机传动方式、风机安装方式等。

5. 材料明细表需要标明内容: 

① 关键元器件(电机)的名称、型号规格、生产单位;

② 零配件的名称、型号规格(不需注明生产单位);

③ 必须标注叶轮(叶片+轮毂)、外壳材质及厚度。材质标注应明确(如Q235冷轧钢板)。

④ 混流风机的消音段隔音材料的材质。

6. 图纸标题栏需要补充标明输送介质温度及运转时间(如280℃/30min)。

7.提供与申报产品型号规格一致的性能试验报告,性能报告要求见http://www.cncf.com.cn/manage/html/1762.html《关于消防排烟风机3C认证时常规性能检测报告的要求》。

图纸和特性文件中经常出现的问题:

1. 离心风机接口法兰的工艺结构(焊接、铆接、材料)、离心风机进出风口以及电机的位置与实物不符。轴流风机接线盒的位置与实物不符。要求照片、图纸、实物必须一致。

2. 送样样品与空气动力学性能检测的样品不符。除了上述1的问题,还有叶轮及叶片数量、叶轮尺寸、叶轮与壳体之间间隙不一致。

以上只能判定一致性不符。

3. 其他见《关于消防排烟风机产品特性文件表和图纸中常见错误与注意事项》。

空气动力学性能检测报告中经常出现的问题:

1. 空气动力学性能检测报告中风量和风压至少有一项的检测结果与额定值一致(两种情况:额定风量工况下的风压、效率或者是额定风压工况下的风量、效率)。检验结果不在所附曲线图中。

2. 对于常规检测报告中无图纸、无法核实一致性的,一律不受理耐高温检测。

特性文件表填写规范:


上一条:消防排烟风机:生产设备和检验设备配置 下一条:离心风机静压、动压、全压和余压详解 返回列表